Potrzebujesz fachowej opinii? Doradztwa w wyborze produktów? Jesteśmy do Twojej dyspozycji! Pracujemy od poniedziałku do piątku w godzinach 8:00–16:00.
Godziny pracy
Poniedziałek – Piątek:
8:00–16:00
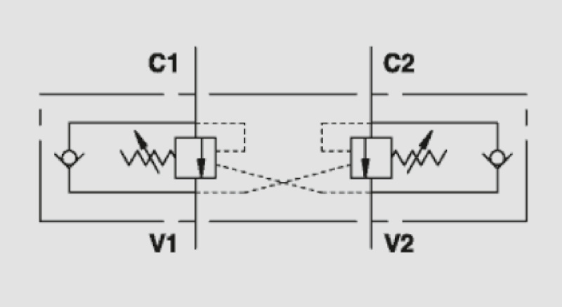
Zamek hydrauliczny siłownika OVERCENTER przeciwciężaru sterowany bliźniaczy VBCD 3/8" DE z kompensatorami
Zawory te służą do sterowania ruchami siłownika i blokowania go w obu kierunkach, w układach, gdzie zwykłe zamki hydrauliczne nie działają prawidłowo.
Świetnie sprawdza się w układach, w których wymagana jest kontrolę nad opadaniem ładunku i gdzie musimy uniknąć zjawiska przenoszenia ciężaru (obciążenie siłownika wymusz szybszy ruch siłownika niż to wynika z wielkości strumienia podawanego przez pompę hydrauliczną. Zawór w takich sytuacjach zapobiega kawitacji siłownika.
Zawór nie jest wrażliwy na ciśnienie wsteczne, czyli nie wymaga stosowania rozdzielaczy z suwakami typu J (A, B odprowadzone do T) jak przy tradycyjnych zaworach OVERCENTER - pozwala na pracę równoległą wiele siłowników.
Zastosowanie: zamek hydrauliczny siłownika dwukierunkowego działania (np. w dźwigach typu HDS)

| Kod towaru | H-842H |
|---|---|
| Wysyłka | 24 godziny |