Zawór zwrotny sterowany bliźniaczy VRDE 1/4

Zawór zwrotny sterowany bliźniaczy VRDE 3/8" - zamek siłownika 35 l/min

Zawór zwrotny sterowany bliźniaczy VBCD 1/2

Zawór zwrotny sterowany bliźniaczy VBCD 1/2" DE-A REGULOWANY - zamek siłownika

Zawór zwrotny sterowany bliźniaczy VBCD 3/8" DE-A REGULOWANY - zamek siłownika

233,70 zł 190,00 zł
Zawór zwrotny sterowany bliźniaczy VBCD 3/8" 40l/min REGULOWANY
Kod towaru
H-842

Zawór zwrotny sterowany BLIŹNIACZY VBCD 3/8" DE-A regulowany

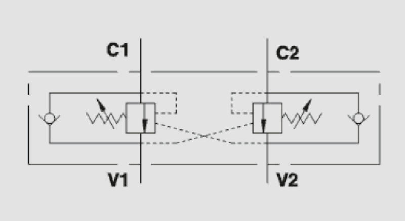
W pozycji spoczynkowej zawór porty C1, C2 ma zamknięte. W momencie podania ciśnienia na dowolny port V1, V2 porty C1, C2 zostaja odblokowane.

Odblokowanie portów C1 C2 nastąpi również po wzroście ciśnienia na tych portach powyżej zadanego na śrubie regulacyjnej.

Zastosowanie: zamek hydrauliczny siłownika dwukierunkowego działania (np. w dźwigach typu HDS)

  • Produkcja: Włochy
  • Typ: VBCD 3/8" DE-A 
  • kod katalogowy: V0422
  • przyłącza: 3/8"
  • ciśnienie max: 350 bar
  • ciśnienie pracy: 270 bar 
  • przepływ max: 40 l/min 

Więcej informacji
Kod towaru H-842
Wysyłka 24 godziny